產品展示
Products
Products
測量范圍:0-3g/cc,0-3000kg/m2,0-187.4lb/ft3
測量精度: ±0.001g/cc,±1.0 kg/m3
重復精度:±0.0001g/cc,±0.1kg/m3,±0.006lb/ft3
溫度影響:±0.0001g/cc,±0.1 kg/m3(每°C)
壓力影響:忽略不計
過程溫度:–50℃-150℃(–58℉-302℉)
過程壓力:(短桿) 3000 psi (207 bar)
(長桿)1450 psi (100 bar)
防護等級:IP65
|
音叉密度計/濃度計概述 |
|
UVVD系列音叉密度計是安裝在管道上、敞開或密閉儲罐中,可連續、實時在線測量流體密度的傳感器。是一種用于以密度作為首要控制參數的過程控制儀表,或用于固體百分比等其它質量控制參數的在線分析儀表。 |
| 音叉密度計/濃度計優勢 |
![]() |
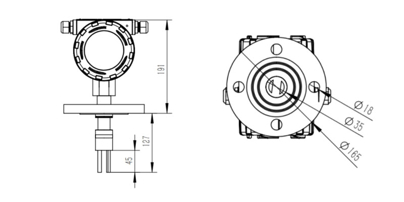
| 音叉密度計/濃度計尺寸圖 |
![]() |
| 音叉密度計/濃度計應用 |
![]() |
